Lakat: Vízszintes zárású rázlakatok
Vízszintes zárású rézlakatok, melyek a legkedveltebb lakatok közé tartoznak, nem véletlenül. Oldalkengyeles kialakításuknak köszönhetően oldalsó irányba húzható ki a lakat kengyel része, így olyan objektumok, eszközök lezárására is alkalmasak, ahol a hagyományos kengyelkialakítású lakatok nem alkalmazhatók. A speciális kialakításának köszönhetően kisebb támadási felületet biztosít, nehezebben hozzáférhető a kengyel rész, így biztosítva nagyobb védelmet vágás, vagy feszítés, leütés ellen. Kétoldalas kengyelzárásának köszönhetően további védelmet élvez feszítés ellen, illetve fontos kihangsúlyozni, hogy a lakat kengyele kerekített, zárt állapotban elfordul saját tengelye körül, jelentős mértékben megnehezítve ezzel a ráfogást, fűrészelést. Az öt csapos zárszerkezet megfelelő védelmet nyújt finomnyitás ellen, illetve lehetőséget biztosít nagyobb (<100) főkulcsos, vagy mester kulcsos rendszerek kialakítására. Élettartam garanciás lakat egy márkától, melyben megbízhat.
Lakat: 63 mm-es vízszintes zárású rézlakat
- 60mm széles réz test
- Megerősített acél kengyel – megnövelt vágás elleni védelem
- Vízszintes kengyelkialakítása miatt kisebb a támadható felület
- Kétoldali kengyelzárás – feszítés, leütés elleni védelem
- Kerekített/elforgó kengyel – vágás, fűrészelés elleni védelem
- Öt csapos zárszerkezet a megnövelt finomnyitás eleni védelemért
- Alkalmas nagyobb főkulcsos, mester kulcsos rendszerhez
- Élettartam garancia
Biztonsági szint

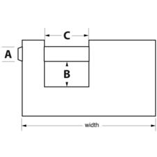
Master Lock 606 lakat méretek:
- A: Kengyelátmérő:10mm
- B: Kengyelmagasság:18mm
- C: Belső kengyeltávolság:13mm
- Lakattest szélesség: 63mm
| Elérhető típusok | |||||
|---|---|---|---|---|---|
| Cikkszám | Terméknév | Méretek | Ár | ||
| 606 EURD | Lakat: 63 mm-es vízszintes zárású rézlakat | A:10mm;B:13mm;C:18mm |
|
||
Lakat: 76 és 85 mm-es vízszintes zárású rézlakatok (Master Lock 607, 608)
- 76mm (607-es), illetve 85mm (608-as) széles réz test
- Megerősített acél kengyel – megnövelt vágás elleni védelem
- Oldalkengyeles kialakítása miatt kisebb a támadható felület
- Kétoldalas kengyelzárás – feszítés, leütés elleni védelem
- Kerekített/elforgó kengyel – vágás, fűrészelés elleni védelem
- Öt csapos zárszerkezet – megfelelő finomnyitás eleni védelem
- Alkalmas nagyobb főkulcsos, mester kulcsos rendszerhez
- Élettartam garancia
Biztonsági szint

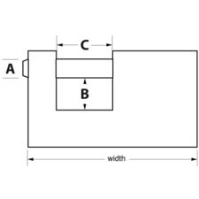
Master Lock 607, 608 lakat méretek:
- A: Kengyelátmérő:11-12mm
- B: Kengyelmagasság:23-29mm
- C: Belső kengyeltávolság:14-16mm
- width: Lakattest szélesség:76-85mm
| Elérhető típusok | |||||
|---|---|---|---|---|---|
| Cikkszám | Terméknév | Méretek | Ár | ||
| 607 EURD | Lakat: 76 mm-es vízszintes zárású rézlakat | A:11mm;B:14mm;C:23mm |
|
||
| 608 EURD | Lakat: 85 mm-es vízszintes zárású rézlakat | A:12mm;B:16mm;C:29mm |
|
||
VIDEÓK
CIKKEK
Hazánkban elterjedt hit, miszerint csupán kétféle lakat létezik; az egyik –a leginkább elterjedt- a rézlakat, a másik a névtelen kínai gyártóktól származó, párszáz forintos...
Ha többen éltek együtt, ápoló/takarító jár hozzátok vagy Airbnb-zel állandó probléma lehet a kulcskérdés; ha például valaki mindig otthon felejti a kulcsait, elsőként...
Ha széfvásárlás előtt állsz, biztosan találsz több széfet is, ami az elképzeléseid között szerepelt, de egyszerűen nem jutsz dűlőre… Most adunk egy kis segítséget, ha a zoknik...







